NINGBO ZHONGDA LEADER INTELLIGENT TRANSMISSION CO.,Ltd.
Componentes de automatización industrial Código de acciones: 002896
  • 
  • Inicio
  • Productos+
  • Personalización
  • Aplicaciones+
    • Intralogística
    • Robótica móvil
    • Robot industrial
    • Horno para pizza
    • Máquina para hacer helados
    • Montacargas
    • Embalaje
    • Equipos de fabricación de hielo comercial
    • Equipos textiles
    • Sistemas de control de acceso y portones
    • Máquinas herramienta
  • Proyectos+
    • Motorreductor de CC para sistema de seguimiento solar
    • Motorreductor de CC sin escobillas para sistema de control de acceso de barrera tipo flap
    • Motorreductor de CC sin escobillas para etiquetadora automática
    • Motorreductor para silla de ruedas eléctrica
    • Reductor de precisión RV de rueda dentada cicloidal y reductor planetario para la industria de corte de puentes de piedra
    • Motorreductor de CC sin escobillas para la industria de mesas indexadoras
    • Motorreductor hipoidal F3 para la industria de máquinas para hacer hielo
  • Nosotros+
    • La Empresa
    • Historia
    • Fabricación
    • Distribuidores
    • Centro de descargas
  • Videos
  • Contacto
  • Inicio
  • Productos
  • Motorreductor de CA
  • Motor de freno
  • Motor de freno 90mm 60W
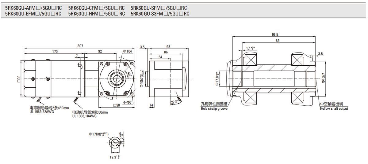
Motor de freno 90mm 60W
Motor de freno 90mm 60W

Motor de freno 90mm 60W

Solicite un presupuesto
  • Especificaciones
  • Tabla de par (torque)
  • Aplicaciones
Especificaciones del motor
Modelo Clasificación Potencia
de salida
W
Voltaje
V
Frecuencia
Hz
Corriente
A
Par de
arranque
m N.m
Par nominal
m
N.m
Velocidad
nominal
r/min
Capacitor
μF
5RK60GU-AFM 30min 60 1ph 100 50 1.26 470 470 1250 25
60 1.70 380 1550
5RK60GU-EFM 30min 60 1ph 110 60 1.05 330 380 1550 15
1ph 120 0.85 380
5RK60GU-CFM 30min 60 1ph 220 50 0.55 420 470 1250 4.5
1ph 230 0.60 460
5RK60GU-HFM 30min 60 1ph 220 60 0.55 420 380 1550 4.5
1ph 230 0.60 460
5RK60GU-SFM 30min 60 3ph 220 50 0.45 1000 470 1250 -
60 0.40 800 380 1550
5RK60GU-S3FM 30min 60 3ph 380 50 0.26 1000 470 1250 -
60 0.23 800 380 1550
Tabla de par del motorreductorUnidad de par de tolerancia: N.m
  • Ángulo recto
  • Eje paralelo
Tipo
Motor/Reductor
Relación de transmisión 7.5 9 12.5 15 18 25 30 36 50 60 75 90 100 120 150 180
Velocidad
r/min
50Hz 200 166 120 100 83 60 50 41 30 25 20 16 15 12 10 8
60Hz 240 200 144 120 100 72 60 50 36 30 24 20 18 15 12 10
5RK60GU-AFM
SRK60GU-EFM
5RK60GU-CFM
SRK60GU-HFM
SRK60GU-SFM
5RK60GU-S3FM
5GU()RC
5GU()RT
Par de tolerancia 50Hz 2.37 2.84 3.95 4.73 5.68 7.89 9.47 10.2 14.2 17.0 20.0 20.0 20.0 20.0 20.0 20.0
60Hz 1.91 2.29 3.18 3.82 4.58 6.36 7.64 8.25 11.5 13.7 17.2 20.0 20.0 20.0 20.0 20.0
Descargar PDF
Especificaciones
Especificaciones
Serie GU
Descargar PDF
Tipo
Motor/Reductor
Relación de transmisión 3 3.6 5 6 7.5 9 10 12.5 15  18 20 25 30 36 40 50 60 75 90 100 120 150 180 200
Velocidad r/min  50Hz 500 417 300 250 200 166 150 120 100  83 75 60 50 41 37 30 25 20 16 15 12.5 10 8.3 7.5
 60Hz 600 500 360 300 240 200 180 144 120 100 90 72 60 50 45 36 30 24 20 18 15 12 10 9
5RK60GU-AFM
5RK60GU-EFM
5RK60GU-CFM
5RK60GU-HFM
5RK60GU-SFM
5RK60GU-S3FM
5GU()KB
5GU()K
50Hz 1.10 1.40 1.90 2.30 2.90 3.40 3.61 4.80 5.70 6.80 7.12 8.60 10.0 10.3 11.6 12.4 15.5 18.6 20.0 20.0 20.0 20.0 20.0 20.0
60Hz 0.92 1.10 1.50 1.80 2.30 2.80 3.01 3.80 4.60 5.50 5.73 6.90 8.30 8.30 9.70 10.0 12.5 15.0 18.8 20.0 20.0 20.0 20.0 20.0
Especificaciones
L1=65.5mm
Serie GN
Descargar PDF
Tipo
Motor/Reductor
Relación de transmisión 3 3.6 5 6 7.5 9 10 12.5 15 18 20 25 30 36 40 50 60 75 90 100 120 150 180 200
Velocidad r/min  50Hz 500 417 300 250 200 166 150 120 100 83 75 60 50 41 37 30 25 20 16 15 12.5 10 8.3 7.5
 60Hz 600 500 360 300 240 200 180 144 120 100 90 72 60 50 45 36 30 24 20 18 15 12 10 9
5RK60GN-AFM
5RK60GN-EFM
5RK60GN-CFM
5RK60GN-HFM
5RK60GN-SFM
5RK60GN-S3FM
5GN()K  50Hz 1.10 1.40 1.90 2.30 2.90 3.40 3.57 4.80 5.70 6.80 7.03 8.60 10.0 10.0 10.0 10.0 10.0 10.0 10.0 10.0 10.0 10.0 10.0 10.0
 60Hz 0.92 1.10 1.50 1.80 2.30 2.80 2.99 3.80 4.60 5.50 5.70 6.90 8.30 10.0 10.0 10.0 10.0 10.0 10.0 10.0 10.0 10.0 10.0 10.0
Especificaciones
L1=60mm
Aplicaciones
  • Procesado de alimentos y bebidas: Asadoras de salchichas, selladoras de té con leche, fabricadoras de hielo, tostadoras automáticas de té, picadoras de carne.
  • Equipos de envasado: Selladoras de cartón, envasadoras de papel kraft.
  • Fabricación de semiconductores: Equipos de manipulación y ensamblaje de alta precisión.
  • Fabricación de baterías: Sistemas de procesamiento de baterías de litio.
  • Intralogística: Sistemas de transporte para logística y almacenamiento.
  • Impresión y encuadernación: Impresoras de vasos cónicos de plástico, impresoras industriales, encuadernadoras.
  • Maquinaria para madera: Chapadoras de cantos, equipos de corte, líneas de producción automatizadas para la industria de la madera.
  • Industria textil: Equipos para la producción textil.
  • Ganadería: Sistemas de eliminación de estiércol, equipos para granjas porcinas, sistemas de alimentación automatizadas.
  • Sistemas de inspección: Máquinas para inspección de seguridad.
  • Sistemas de eliminación de polvo: Equipos industriales para la extracción y eliminación de polvo industrial.
  • Moldeo por inyección: Sistemas auxiliares para máquinas de moldeo por inyección.
  • Sistemas de control de acceso: Puertas de velocidad, elementos de canalización.
  • Tags:
  • proveedor de motor de freno
  • motores de freno
  • motorreductor
  • motores y reductores
  • motores de engranajes

¿Necesita ayuda adicional? No dude en hacernos saber sus requerimientos para poder ayudarlo.

NUESTROS PRODUCTOS
  • Motorreductor de CA
      Motor de inducción Motor para control de velocidad Motor reversible Motor de freno Motor de par
  • Motorreductor de CC
  • Motorreductor planetario de CC
  • Mototambor
  • Motorreductor de CA pequeño
  • Motorreductor hipoidal F2/F3
  • Reductores planetarios
  • Reductor cicloidal de precisión
  • Rueda motriz y motor de dirección asistida
  • Controlador de velocidad y controlador de motor
  • Robot industrial
Otros productos
Motor de freno 60mm 6W Motor de freno 60mm 6W
Motor de freno 70mm 15W Motor de freno 70mm 15W
Motor de freno 80mm 25W Motor de freno 80mm 25W
Motor de freno 90mm 40W Motor de freno 90mm 40W
Motor de freno 90mm 60W Motor de freno 90mm 60W
Motor de freno 90mm 90W Motor de freno 90mm 90W
Motor de freno 90mm 120W Motor de freno 90mm 120W
Motor de freno 104mm 120W Motor de freno 104mm 120W
Fabricación
Fabricación
Fabricación
Fabricación

Invertimos constantemente en la incorporación de equipos de producción y pruebas de nivel internacional optimizados. Zhongda ha desarrollado un sistema de fabricación integral que incluye los siguientes componentes:

Equipo de procesamiento de engranajes compuesto por marcas como Mitsubishi de Japón y KAPP de Alemania.
Equipos de procesamiento de carcasas, principalmente de las marcas japonesas MAKINO y Mazak.
Equipo de procesamiento de motores integrado por las marcas japonesas AIDA y NITTOKU.
Equipos de inspección de productos, entre los que se encuentran las marcas alemanas Zeiss y Klingelnberg.
Productos principales

Nuestra gama de componentes de automatización industrial

Motorreductor de CC
Información del producto
Motorreductor de CC El motorreductor de CC es una combinación de una caja de engranajes en miniatura de precisión y un motor eléctrico compacto.
Motorreductor de CC sin escobillas
Información del producto
Motorreductor de CC sin escobillas La estructura de los motores sin escobillas es diferente a la de los motores con escobillas tradicionales.
Motorreductor planetario de CC
Información del producto
Motorreductor planetario de CC Los motorreductores planetarios de CC están disponibles en motorreductores planetarios de CC con escobillas (motorreductores con escobillas de carbón) y motorreductores planetarios de CC sin escobillas.
Mototambor
Información del producto
Mototambor El mototambor es una unidad motriz que combina el motor con reductor encerrado dentro de una carcasa exterior.
Motorreductor de CA pequeño
Información del producto
Motorreductor de CA pequeño Reconocido por su funcionamiento silencioso, larga vida útil y diseño compacto, nuestro motorreductor de CA pequeño puede alimentarse desde 100 W hasta 3700 W, compatible con CA monofásica y trifásica.
Motorreductor hipoidal F2/F3
Información del producto
Motorreductor hipoidal F2/F3 El motorreductor hipoidal de Zhongda F2/F3 es una combinación de un motor eléctrico y un reductor de engranajes hipoides, que presenta el funcionamiento silencioso de los reductores helicoidales de turbina y la eficiencia de los reductores de engranajes cónicos. Este motorreductor hipoidal F2/F3 es especialmente adecuado para entornos que exigen accionamientos de pequeña potencia en un espacio limitado.
Reductores planetarios
Información del producto
Reductores planetarios El reductor planetario es un reductor de uso común compuesto por varios componentes, incluida la carcasa exterior, la carcasa interior, la rueda planetaria, el eje de entrada y el eje de salida, así como sellos y accesorios relacionados.
Reductor cicloidal de precisión
Información del producto
Reductor cicloidal de precisión Las reductores cicloidales robóticos son la parte vital de los robots articulados y un componente crucial en varios equipos de automatización, como maquinaria industrial, dispositivos médicos y carros automatizados AGV.
Rueda motriz y motor de dirección asistida
Información del producto
Rueda motriz y motor de dirección asistida La rueda motriz y el motor de dirección asistida son dos piezas esenciales utilizadas en el campo de la logística inteligente.
Controlador de velocidad y controlador de motor
Información del producto
Controlador de velocidad y controlador de motor Los controladores de velocidad de los motores de CA están diseñados para un control preciso de la velocidad y el par de los motores de CA.
Robot industrial
Información del producto
Robot industrial Zhongda cuenta con una sólida experiencia de más de 20 años en la construcción de componentes centrales esenciales para robots industriales y robots de brazo articulado. Nuestra solución "Half the Robot o Mitad de robot" está diseñada para la simplificación.
Nosotros

Zhongda es un fabricante profesional de diversos tipos de motores y motorreductores que ha sido establecido el año 1998, Zhongda ha crecido hasta convertirse en una empresa líder de alta tecnología en China que combina investigación, fabricación, ventas y servicios en el sector de accionamientos de motores, micromotores, reductores de precisión y unidades inteligentes integradas. Gracias a la experiencia y cooperación durante todos estos años de operación, hemos logrado obtener un catálogo sólido de diversos motorreductores y motores.

Productos
  • Motorreductor de CA
  • Motorreductor de CC
  • Motorreductor planetario de CC
  • Mototambor
  • Motorreductor de CA pequeño
  • Motorreductor hipoidal F2/F3
  • Reductores planetarios
  • Reductor cicloidal de precisión
  • Rueda motriz y motor de dirección asistida
  • Controlador de velocidad y controlador de motor
  • Robot industrial
Aplicaciones
    • Intralogística
    • Robótica móvil
    • Robot industrial
    • Horno para pizza
    • Máquina para hacer helados
    • Montacargas
    • Embalaje
    • Equipos de fabricación de hielo comercial
    • Equipos textiles
    • Sistemas de control de acceso y portones
    • Máquinas herramienta
Contacto
Ningbo Zhongda Leader Intelligent Transmission Co., Ltd.
+86-574-63537171
+86-574-63534879
Kerry Cen