NINGBO ZHONGDA LEADER INTELLIGENT TRANSMISSION CO.,Ltd.
Componentes de automatización industrial Código de acciones: 002896
  • 
  • Inicio
  • Productos+
  • Personalización
  • Aplicaciones+
    • Intralogística
    • Robótica móvil
    • Robot industrial
    • Horno para pizza
    • Máquina para hacer helados
    • Montacargas
    • Embalaje
    • Equipos de fabricación de hielo comercial
    • Equipos textiles
    • Sistemas de control de acceso y portones
    • Máquinas herramienta
  • Proyectos+
    • Motorreductor de CC para sistema de seguimiento solar
    • Motorreductor de CC sin escobillas para sistema de control de acceso de barrera tipo flap
    • Motorreductor de CC sin escobillas para etiquetadora automática
    • Motorreductor para silla de ruedas eléctrica
    • Reductor de precisión RV de rueda dentada cicloidal y reductor planetario para la industria de corte de puentes de piedra
    • Motorreductor de CC sin escobillas para la industria de mesas indexadoras
    • Motorreductor hipoidal F3 para la industria de máquinas para hacer hielo
  • Nosotros+
    • La Empresa
    • Historia
    • Fabricación
    • Distribuidores
    • Centro de descargas
  • Videos
  • Contacto
  • Inicio
  • Productos
  • Rueda motriz y motor de dirección asistida
  • Motor de dirección asistida

Motor de dirección asistida

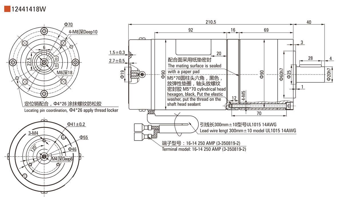
Motor de dirección asistida 90DP+72PN

Motor de dirección asistida 90DP+72PN

Solicite un presupuesto Descargar PDF

Especificaciones
Model Z100D550-24A1-30S Vida útil de la escobilla  1200h
Voltaje nominal  25V DC Fuerza eléctrica  660V/S
Potencia nominal  550W Clase de aislamiento F
Corriente nominal  30A±10% Grado de protección  IP20
Velocidad nominal  3000rpm±10% Modelo de reductor ZD-ZH180-25-001
Par nominal  1.75N.m Relación de transmisión 25K/17K
Corriente sin carga  ≤6A Voltaje de frenado 24V DC
Velocidad sin carga 3500rpm±10% Par de frenao  6N.m
Operación  S2(45min) Temperatura ambiente  -10℃~+40℃
Resistencia de aislamiento >20MΩ Ruido < 60
Especificaciones
Motor de dirección asistida 90DP+82PN

Motor de dirección asistida 90DP+82PN

Solicite un presupuesto Descargar PDF

Especificaciones
Model Z90DPN24400-32S-BM Grado de protección  IP20
Voltaje nominal  24V DC Especificación del reductor 82PN33.92K
Potencia nominal  200W Etapa de reducción 2
Corriente nominal  24A±10% Dirección de rotación del eje de salida de la caja de engranajes y el motor Igual
Velocidad nominal  3200rpm±10% Tipo de rodamiento Rodamiento de bolass
Par nominal  1.27N.m Estructura del reductor Integrado 
Corriente sin carga  ≤3.5A Eficiencia de transmisión 81%
Velocidad sin carga 3600rpm±10% Par nominal de salida 35N.m 
Operación  S2(10min) Max. par instantáneo 1.5 veces el par de salida
Resistencia de aislamiento >20MΩ Temperatura ambiente  -10℃~+40℃
Vida útil de la escobilla  2000h Ruido < 60dm (L=100cm)
Fuerza eléctrica  660V/S    
Clase de aislamiento B    
Especificaciones
Especificaciones
Motor de dirección asistida 90DP+90PN

Motor de dirección asistida 90DP+90PN

Solicite un presupuesto Descargar PDF

Especificaciones
Modelo Z90DPN24200-32S Clase de aislamiento B
Voltaje nominal  24V DC Grado de protección  IP20
Potencia nominal  200W Especificación del reductor 90PN32K
Corriente nominal  13A±10% Etapa de reducción 2
Velocidad nominal  3200rpm±10% Dirección de rotación del eje de salida del reductor y el motor Igual 
Par nominal  0.597N.m Tipo de rodamiento Rodamiento de bolas
Corriente sin carga  ≤3.5A Estructura del reductor Integrado 
Velocidad sin carga 3600rpm±10% Eficiencia de transmisión 94%
Operación  S2(10min) Par máx. para reductor 17.954N.m
Resistencia de aislamiento >20MΩ Max. par instantáneo para reductor 2 veces por el par nominal de salida
Vida útil de la escobilla  2000h Temperatura ambiente  -10℃~+40℃
Fuerza eléctrica  660V/S Ruido < 60dm (L=100cm)
Clase de aislamiento B    
Especificaciones
Especificaciones
  • Tags:
  • proveedor de motor de dirección asistida
  • motorreductor
  • motor de engranajes
  • motores con escobillas
  • motores sin escobillas

¿Necesita ayuda adicional? No dude en hacernos saber sus requerimientos para poder ayudarlo.

NUESTROS PRODUCTOS
  • Motorreductor de CA
  • Motorreductor de CC
  • Motorreductor planetario de CC
  • Mototambor
  • Motorreductor de CA pequeño
  • Motorreductor hipoidal F2/F3
  • Reductores planetarios
  • Reductor cicloidal de precisión
  • Rueda motriz y motor de dirección asistida
      Rueda motriz Motor de dirección asistida
  • Controlador de velocidad y controlador de motor
  • Robot industrial
Otros productos
Rueda motriz Rueda motriz
Fabricación
Fabricación
Fabricación
Fabricación

Invertimos constantemente en la incorporación de equipos de producción y pruebas de nivel internacional optimizados. Zhongda ha desarrollado un sistema de fabricación integral que incluye los siguientes componentes:

Equipo de procesamiento de engranajes compuesto por marcas como Mitsubishi de Japón y KAPP de Alemania.
Equipos de procesamiento de carcasas, principalmente de las marcas japonesas MAKINO y Mazak.
Equipo de procesamiento de motores integrado por las marcas japonesas AIDA y NITTOKU.
Equipos de inspección de productos, entre los que se encuentran las marcas alemanas Zeiss y Klingelnberg.
Productos principales

Nuestra gama de componentes de automatización industrial

Controlador de velocidad y controlador de motor
Información del producto
Controlador de velocidad y controlador de motor Los controladores de velocidad de los motores de CA están diseñados para un control preciso de la velocidad y el par de los motores de CA.
Robot industrial
Información del producto
Robot industrial Zhongda cuenta con una sólida experiencia de más de 20 años en la construcción de componentes centrales esenciales para robots industriales y robots de brazo articulado. Nuestra solución "Half the Robot o Mitad de robot" está diseñada para la simplificación.
Motorreductor de CA
Información del producto
Motorreductor de CA El motorreductor de CA es un pequeño motor de CA que cuenta con una caja de engranajes en miniatura de precisión instalada en un motor compacto.
Motorreductor de CC
Información del producto
Motorreductor de CC El motorreductor de CC es una combinación de una caja de engranajes en miniatura de precisión y un motor eléctrico compacto.
Motorreductor de CC sin escobillas
Información del producto
Motorreductor de CC sin escobillas La estructura de los motores sin escobillas es diferente a la de los motores con escobillas tradicionales.
Motorreductor planetario de CC
Información del producto
Motorreductor planetario de CC Los motorreductores planetarios de CC están disponibles en motorreductores planetarios de CC con escobillas (motorreductores con escobillas de carbón) y motorreductores planetarios de CC sin escobillas.
Mototambor
Información del producto
Mototambor El mototambor es una unidad motriz que combina el motor con reductor encerrado dentro de una carcasa exterior.
Motorreductor de CA pequeño
Información del producto
Motorreductor de CA pequeño Reconocido por su funcionamiento silencioso, larga vida útil y diseño compacto, nuestro motorreductor de CA pequeño puede alimentarse desde 100 W hasta 3700 W, compatible con CA monofásica y trifásica.
Motorreductor hipoidal F2/F3
Información del producto
Motorreductor hipoidal F2/F3 El motorreductor hipoidal de Zhongda F2/F3 es una combinación de un motor eléctrico y un reductor de engranajes hipoides, que presenta el funcionamiento silencioso de los reductores helicoidales de turbina y la eficiencia de los reductores de engranajes cónicos. Este motorreductor hipoidal F2/F3 es especialmente adecuado para entornos que exigen accionamientos de pequeña potencia en un espacio limitado.
Reductores planetarios
Información del producto
Reductores planetarios El reductor planetario es un reductor de uso común compuesto por varios componentes, incluida la carcasa exterior, la carcasa interior, la rueda planetaria, el eje de entrada y el eje de salida, así como sellos y accesorios relacionados.
Reductor cicloidal de precisión
Información del producto
Reductor cicloidal de precisión Las reductores cicloidales robóticos son la parte vital de los robots articulados y un componente crucial en varios equipos de automatización, como maquinaria industrial, dispositivos médicos y carros automatizados AGV.
Rueda motriz y motor de dirección asistida
Información del producto
Rueda motriz y motor de dirección asistida La rueda motriz y el motor de dirección asistida son dos piezas esenciales utilizadas en el campo de la logística inteligente.
Nosotros

Zhongda es un fabricante profesional de diversos tipos de motores y motorreductores que ha sido establecido el año 1998, Zhongda ha crecido hasta convertirse en una empresa líder de alta tecnología en China que combina investigación, fabricación, ventas y servicios en el sector de accionamientos de motores, micromotores, reductores de precisión y unidades inteligentes integradas. Gracias a la experiencia y cooperación durante todos estos años de operación, hemos logrado obtener un catálogo sólido de diversos motorreductores y motores.

Productos
  • Motorreductor de CA
  • Motorreductor de CC
  • Motorreductor planetario de CC
  • Mototambor
  • Motorreductor de CA pequeño
  • Motorreductor hipoidal F2/F3
  • Reductores planetarios
  • Reductor cicloidal de precisión
  • Rueda motriz y motor de dirección asistida
  • Controlador de velocidad y controlador de motor
  • Robot industrial
Aplicaciones
    • Intralogística
    • Robótica móvil
    • Robot industrial
    • Horno para pizza
    • Máquina para hacer helados
    • Montacargas
    • Embalaje
    • Equipos de fabricación de hielo comercial
    • Equipos textiles
    • Sistemas de control de acceso y portones
    • Máquinas herramienta
Contacto
Ningbo Zhongda Leader Intelligent Transmission Co., Ltd.
+86-574-63537171
+86-574-63534879
Kerry Cen