NINGBO ZHONGDA LEADER INTELLIGENT TRANSMISSION CO.,Ltd.
Componentes de automatización industrial Código de acciones: 002896
  • 
  • Inicio
  • Productos+
  • Personalización
  • Aplicaciones+
    • Intralogística
    • Robótica móvil
    • Robot industrial
    • Horno para pizza
    • Máquina para hacer helados
    • Montacargas
    • Embalaje
    • Equipos de fabricación de hielo comercial
    • Equipos textiles
    • Sistemas de control de acceso y portones
    • Máquinas herramienta
  • Proyectos+
    • Motorreductor de CC para sistema de seguimiento solar
    • Motorreductor de CC sin escobillas para sistema de control de acceso de barrera tipo flap
    • Motorreductor de CC sin escobillas para etiquetadora automática
    • Motorreductor para silla de ruedas eléctrica
    • Reductor de precisión RV de rueda dentada cicloidal y reductor planetario para la industria de corte de puentes de piedra
    • Motorreductor de CC sin escobillas para la industria de mesas indexadoras
    • Motorreductor hipoidal F3 para la industria de máquinas para hacer hielo
  • Nosotros+
    • La Empresa
    • Historia
    • Fabricación
    • Distribuidores
    • Centro de descargas
  • Videos
  • Contacto
  • Inicio
  • Productos
  • Motorreductor de CC
  • Motorreductor de CC con escobillas
  • Motorreductor de CC con escobillas 80mm 40W
Motorreductor de CC con escobillas 80mm 40W
Motorreductor de CC con escobillas 80mm 40W

Motorreductor de CC con escobillas 80mm 40W

Solicite un presupuesto
  • Especificaciones
  • Tabla de par (torque)
  • Aplicaciones
Especificaciones del motor
Modelo Voltaje Potencia Noload Parameters Parámetros de carga Vida útil de la escobilla Peso del motor
Velocidad Corriente Velocidad Par Corriente
V W r/min A r/min mN.m A H kg
Z4040-12 12 40 3100 2.0Max. 2800 136 5.2 2000 1.8
Z4D40-24 24 40 3100 0.8Max 3000 127 2.1 2000 1.8
Z4D40-90 90 40 3200 0.3Max 3000 127 0.7 2000 1.8
Tabla de par del motorreductorUnidad de par de tolerancia: N.m
  • Ángulo recto
  • Eje paralelo
 Tipo
Motor/Reductor
Relación de transmisión 7.5 9 12.5 15 18  25  30 36 50 60 75 90 100 120 150 180
Velocidad r/min 400 333 240 200 166 120 100 83 60 50 40 33  30  25  20 16
 Z4D40-24GN-30S 4GN()RC

4GN()RT
0.70 0.84 1.16 1.39 1.67 2.32 2.78 3.34 4.64 5.01 6.27 7.52 80.0 80.0 80.0 80.0
7.14 8.57 11.8 14.2 17.0 23.7 28.4 34.1 47.3 51.1 64.0 76.7 80.0 80.0 80.0 80.0
Descargar PDF
Especificaciones
Tipo Relación de transmisión 3 3.6 5 6 7.5 9 10 12.5 15 18 20 25 30 36 40 50 60 75 90 100 120 150 180 200
Z4D40-24GN Velocidad r/min 000 833 600 500 400 333 300 240 200 167 150 120 100 83 75 60 50 40 33 30 25 20 17 15
4GN()K 0.31 0.37 0.52 0.62 0.77 0.93 1.03 1.29 1.55 1.86 2.06 2.32 2.78 3.34 3.71 4.64 5.01 6.27 7.52 8.00 8.00 8.00 8.00 8.00
3.03 3.64 5.05 6.06 7.58 9.10 10.1 12.6 15.2 18.2 20.2 22.7 27.3 32.7 36.4 45.5 49.1 61.4 73.7 80.0 80.0 80.0 80.0 80.0
Descargar PDF
Especificaciones
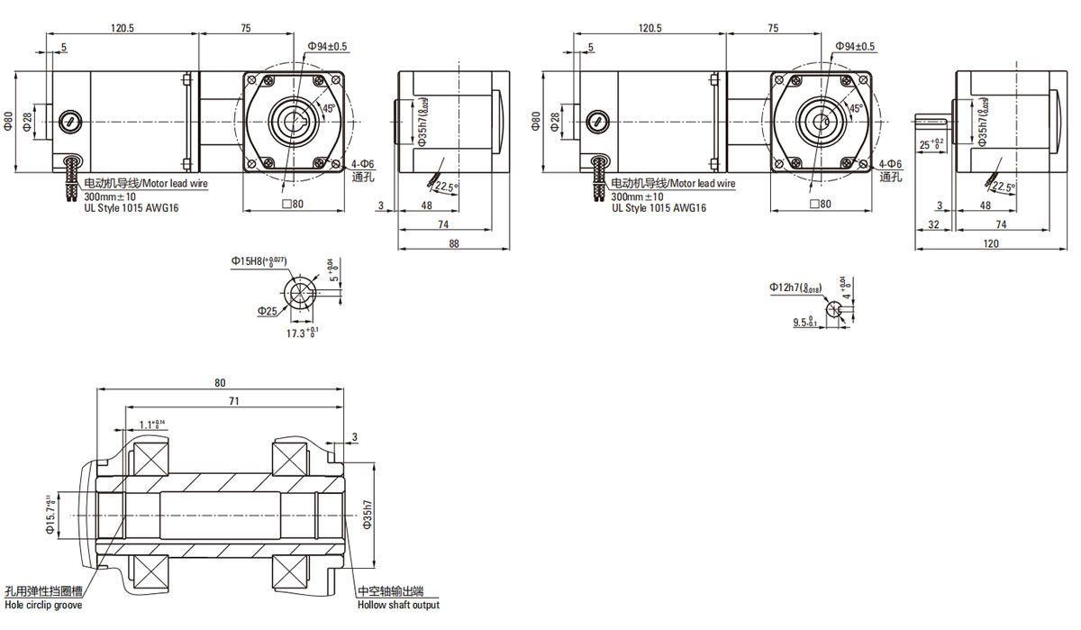
L1=42.5mm
Aplicaciones
  • Equipos de limpieza: Fregadoras de pisos, robots de limpieza para paneles fotovoltaicos, robots de barrido autónomo.
  • Movilidad en salud: Sillas de ruedas eléctricas.
  • Automatización: Transportadores de banda para moldeo por inyección, líneas de producción automatizadas, transportadores para paneles fotovoltaicos, líneas de automatización personalizadas, sistemas de automatización 3C.
  • Industria alimentaria: Hornos para pizza.
  • Control de acceso: Compuertas de canalización, puertas industriales y barreras para vehículos.
  • Sistemas de posicionamiento: Indexadores para ensamblaje de precisión.
  • Tags:
  • proveedor de motorreductor
  • motorreductores
  • motores y reductores
  • motorreductor de CC
  • motorreductor con escobillas

¿Necesita ayuda adicional? No dude en hacernos saber sus requerimientos para poder ayudarlo.

NUESTROS PRODUCTOS
  • Motorreductor de CA
  • Motorreductor de CC
      Motorreductor de CC con escobillas Motorreductor de CC sin escobillas
  • Motorreductor planetario de CC
  • Mototambor
  • Motorreductor de CA pequeño
  • Motorreductor hipoidal F2/F3
  • Reductores planetarios
  • Reductor cicloidal de precisión
  • Rueda motriz y motor de dirección asistida
  • Controlador de velocidad y controlador de motor
  • Robot industrial
Otros productos
Motorreductor de CC con escobillas 60mm 6W Motorreductor de CC con escobillas 60mm 6W
Motorreductor de CC con escobillas 60mm 10W Motorreductor de CC con escobillas 60mm 10W
Motorreductor de CC con escobillas 60mm 15W Motorreductor de CC con escobillas 60mm 15W
Motorreductor de CC con escobillas 70mm 25W Motorreductor de CC con escobillas 70mm 25W
Motorreductor de CC con escobillas 80mm 25W Motorreductor de CC con escobillas 80mm 25W
Motorreductor de CC con escobillas 80mm 40W Motorreductor de CC con escobillas 80mm 40W
Motorreductor de CC con escobillas 90mm 40W Motorreductor de CC con escobillas 90mm 40W
Motorreductor de CC con escobillas 90mm 60W Motorreductor de CC con escobillas 90mm 60W
Fabricación
Fabricación
Fabricación
Fabricación

Invertimos constantemente en la incorporación de equipos de producción y pruebas de nivel internacional optimizados. Zhongda ha desarrollado un sistema de fabricación integral que incluye los siguientes componentes:

Equipo de procesamiento de engranajes compuesto por marcas como Mitsubishi de Japón y KAPP de Alemania.
Equipos de procesamiento de carcasas, principalmente de las marcas japonesas MAKINO y Mazak.
Equipo de procesamiento de motores integrado por las marcas japonesas AIDA y NITTOKU.
Equipos de inspección de productos, entre los que se encuentran las marcas alemanas Zeiss y Klingelnberg.
Productos principales

Nuestra gama de componentes de automatización industrial

Motorreductor de CC sin escobillas
Información del producto
Motorreductor de CC sin escobillas La estructura de los motores sin escobillas es diferente a la de los motores con escobillas tradicionales.
Motorreductor planetario de CC
Información del producto
Motorreductor planetario de CC Los motorreductores planetarios de CC están disponibles en motorreductores planetarios de CC con escobillas (motorreductores con escobillas de carbón) y motorreductores planetarios de CC sin escobillas.
Mototambor
Información del producto
Mototambor El mototambor es una unidad motriz que combina el motor con reductor encerrado dentro de una carcasa exterior.
Motorreductor de CA pequeño
Información del producto
Motorreductor de CA pequeño Reconocido por su funcionamiento silencioso, larga vida útil y diseño compacto, nuestro motorreductor de CA pequeño puede alimentarse desde 100 W hasta 3700 W, compatible con CA monofásica y trifásica.
Motorreductor hipoidal F2/F3
Información del producto
Motorreductor hipoidal F2/F3 El motorreductor hipoidal de Zhongda F2/F3 es una combinación de un motor eléctrico y un reductor de engranajes hipoides, que presenta el funcionamiento silencioso de los reductores helicoidales de turbina y la eficiencia de los reductores de engranajes cónicos. Este motorreductor hipoidal F2/F3 es especialmente adecuado para entornos que exigen accionamientos de pequeña potencia en un espacio limitado.
Reductores planetarios
Información del producto
Reductores planetarios El reductor planetario es un reductor de uso común compuesto por varios componentes, incluida la carcasa exterior, la carcasa interior, la rueda planetaria, el eje de entrada y el eje de salida, así como sellos y accesorios relacionados.
Reductor cicloidal de precisión
Información del producto
Reductor cicloidal de precisión Las reductores cicloidales robóticos son la parte vital de los robots articulados y un componente crucial en varios equipos de automatización, como maquinaria industrial, dispositivos médicos y carros automatizados AGV.
Rueda motriz y motor de dirección asistida
Información del producto
Rueda motriz y motor de dirección asistida La rueda motriz y el motor de dirección asistida son dos piezas esenciales utilizadas en el campo de la logística inteligente.
Controlador de velocidad y controlador de motor
Información del producto
Controlador de velocidad y controlador de motor Los controladores de velocidad de los motores de CA están diseñados para un control preciso de la velocidad y el par de los motores de CA.
Robot industrial
Información del producto
Robot industrial Zhongda cuenta con una sólida experiencia de más de 20 años en la construcción de componentes centrales esenciales para robots industriales y robots de brazo articulado. Nuestra solución "Half the Robot o Mitad de robot" está diseñada para la simplificación.
Motorreductor de CA
Información del producto
Motorreductor de CA El motorreductor de CA es un pequeño motor de CA que cuenta con una caja de engranajes en miniatura de precisión instalada en un motor compacto.
Motorreductor de CC
Información del producto
Motorreductor de CC El motorreductor de CC es una combinación de una caja de engranajes en miniatura de precisión y un motor eléctrico compacto.
Nosotros

Zhongda es un fabricante profesional de diversos tipos de motores y motorreductores que ha sido establecido el año 1998, Zhongda ha crecido hasta convertirse en una empresa líder de alta tecnología en China que combina investigación, fabricación, ventas y servicios en el sector de accionamientos de motores, micromotores, reductores de precisión y unidades inteligentes integradas. Gracias a la experiencia y cooperación durante todos estos años de operación, hemos logrado obtener un catálogo sólido de diversos motorreductores y motores.

Productos
  • Motorreductor de CA
  • Motorreductor de CC
  • Motorreductor planetario de CC
  • Mototambor
  • Motorreductor de CA pequeño
  • Motorreductor hipoidal F2/F3
  • Reductores planetarios
  • Reductor cicloidal de precisión
  • Rueda motriz y motor de dirección asistida
  • Controlador de velocidad y controlador de motor
  • Robot industrial
Aplicaciones
    • Intralogística
    • Robótica móvil
    • Robot industrial
    • Horno para pizza
    • Máquina para hacer helados
    • Montacargas
    • Embalaje
    • Equipos de fabricación de hielo comercial
    • Equipos textiles
    • Sistemas de control de acceso y portones
    • Máquinas herramienta
Contacto
Ningbo Zhongda Leader Intelligent Transmission Co., Ltd.
+86-574-63537171
+86-574-63534879
Kerry Cen