NINGBO ZHONGDA LEADER INTELLIGENT TRANSMISSION CO.,Ltd.
Componentes de automatización industrial Código de acciones: 002896
  • 
  • Inicio
  • Productos+
  • Personalización
  • Aplicaciones+
    • Intralogística
    • Robótica móvil
    • Robot industrial
    • Horno para pizza
    • Máquina para hacer helados
    • Montacargas
    • Embalaje
    • Equipos de fabricación de hielo comercial
    • Equipos textiles
    • Sistemas de control de acceso y portones
    • Máquinas herramienta
  • Proyectos+
    • Motorreductor de CC para sistema de seguimiento solar
    • Motorreductor de CC sin escobillas para sistema de control de acceso de barrera tipo flap
    • Motorreductor de CC sin escobillas para etiquetadora automática
    • Motorreductor para silla de ruedas eléctrica
    • Reductor de precisión RV de rueda dentada cicloidal y reductor planetario para la industria de corte de puentes de piedra
    • Motorreductor de CC sin escobillas para la industria de mesas indexadoras
    • Motorreductor hipoidal F3 para la industria de máquinas para hacer hielo
  • Nosotros+
    • La Empresa
    • Historia
    • Fabricación
    • Distribuidores
    • Centro de descargas
  • Videos
  • Contacto
  • Inicio
  • Productos
  • Mototambor
  • Mototambor de CA
  • Mototambor de CA, DM113
Mototambor de CA, DM113

Mototambor de CA, DM113

Solicite un presupuesto Descargar PDF
  • Especificaciones
  • Aplicaciones
Especificaciones
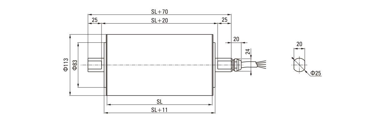
Potencia nominal
W
Número de etapas Serie de reductor Relación de transmisión Max. velocidad m/min Velocidad nominal RPM Par nominal Nm Tracción N Longitud mm
0.18 4 2 11.28 42.49 119.7 12.8 227 280
12.82 37.38 105.3 14.5 257 280
15.09 31.76 89.50 17.1 303 280
3 21.23 22.57 63.60 24.1 426 280
24.34 19.69 55.50 27.6 489 280
27.65 17.33 48.80 31.4 555 280
32.69 14.66 41.30 37.1 657 280
41.49 11.55 32.50 47.1 833 280
0.25 2 2 11.28 88.12 248.2 8.60 152 280
12.82 77.54 218.4 9.70 172 280
15.09 65.87 185.6 11.5 203 280
3 21.23 46.82 131.9 16.1 286 280
24.34 40.84 115.0 18.5 327 280
27.65 35.95 101.3 21.0 327 280
32.69 30.41 85.70 24.8 440 280
41.49 23.96 67.50 31.5 558 280
0.30 4 2 11.28 42.49 119.7 21.3 378 320
12.82 37.38 105.3 24.2 429 320
15.09 31.76 89.50 28.5 505 320
3 21.23 22.57 63.60 37.9 671 320
24.34 19.69 55.50 43.5 769 320
27.65 17.33 48.80 49.4 874 320
32.69 14.66 41.30 58.4 1033 320
41.49 11.55 32.50 74.1 1311 320
0.37 2 2 11.28 88.12 248.2 12.7 225 320
12.82 77.54 218.4 14.4 255 320
15.09 65.87 185.6 17.0 300 320
3 21.23 46.82 131.9 22.5 399 320
24.34 40.84 115.0 25.8 457 320
27.65 35.95 101.3 29.4 520 320
32.69 30.41 85.70 34.7 614 320
41.49 23.96 67.50 44.0 780 320
Especificaciones

Aplicaciones
  • Sistemas de inspección Transportadores para inspección de seguridad.
  • Sistemas de transporte Transportadores de rodillos, rodillos para líneas de producción automatizadas.
  • Industria de automatización Transportadores de banda para moldeo por inyección, transportadores con sistemas de pesaje, transportadores de rodillos para AGV, transportadores para neumáticos y líneas de producción completamente automatizadas.
  • Industria alimentaria Transportadores para granos, equipos para el procesamiento de pasta y sistemas automatizados para el lavado de vegetales.
  • Logística Líneas de clasificación y transporte logístico.
  • Sector salud Camas terapéuticas.
  • Tags:
  • fabricante de mototambor
  • mototambor de CA
  • mototambores
  • motor de engranaje
  • motorreductores

¿Necesita ayuda adicional? No dude en hacernos saber sus requerimientos para poder ayudarlo.

NUESTROS PRODUCTOS
  • Motorreductor de CA
  • Motorreductor de CC
  • Motorreductor planetario de CC
  • Mototambor
      Mototambor de CC Mototambor de CA
  • Motorreductor de CA pequeño
  • Motorreductor hipoidal F2/F3
  • Reductores planetarios
  • Reductor cicloidal de precisión
  • Rueda motriz y motor de dirección asistida
  • Controlador de velocidad y controlador de motor
  • Robot industrial
Otros productos
Mototambor de CA, DM60 Mototambor de CA, DM60
Mototambor de CA, DM70 Mototambor de CA, DM70
Mototambor de CA, DM80 Mototambor de CA, DM80
Mototambor de CA, DM113 Mototambor de CA, DM113
Mototambor de CA, DM138 Mototambor de CA, DM138
Mototambor de CA, DM165 Mototambor de CA, DM165
Fabricación
Fabricación
Fabricación
Fabricación

Invertimos constantemente en la incorporación de equipos de producción y pruebas de nivel internacional optimizados. Zhongda ha desarrollado un sistema de fabricación integral que incluye los siguientes componentes:

Equipo de procesamiento de engranajes compuesto por marcas como Mitsubishi de Japón y KAPP de Alemania.
Equipos de procesamiento de carcasas, principalmente de las marcas japonesas MAKINO y Mazak.
Equipo de procesamiento de motores integrado por las marcas japonesas AIDA y NITTOKU.
Equipos de inspección de productos, entre los que se encuentran las marcas alemanas Zeiss y Klingelnberg.
Productos principales

Nuestra gama de componentes de automatización industrial

Motorreductor de CA pequeño
Información del producto
Motorreductor de CA pequeño Reconocido por su funcionamiento silencioso, larga vida útil y diseño compacto, nuestro motorreductor de CA pequeño puede alimentarse desde 100 W hasta 3700 W, compatible con CA monofásica y trifásica.
Motorreductor hipoidal F2/F3
Información del producto
Motorreductor hipoidal F2/F3 El motorreductor hipoidal de Zhongda F2/F3 es una combinación de un motor eléctrico y un reductor de engranajes hipoides, que presenta el funcionamiento silencioso de los reductores helicoidales de turbina y la eficiencia de los reductores de engranajes cónicos. Este motorreductor hipoidal F2/F3 es especialmente adecuado para entornos que exigen accionamientos de pequeña potencia en un espacio limitado.
Reductores planetarios
Información del producto
Reductores planetarios El reductor planetario es un reductor de uso común compuesto por varios componentes, incluida la carcasa exterior, la carcasa interior, la rueda planetaria, el eje de entrada y el eje de salida, así como sellos y accesorios relacionados.
Reductor cicloidal de precisión
Información del producto
Reductor cicloidal de precisión Las reductores cicloidales robóticos son la parte vital de los robots articulados y un componente crucial en varios equipos de automatización, como maquinaria industrial, dispositivos médicos y carros automatizados AGV.
Rueda motriz y motor de dirección asistida
Información del producto
Rueda motriz y motor de dirección asistida La rueda motriz y el motor de dirección asistida son dos piezas esenciales utilizadas en el campo de la logística inteligente.
Controlador de velocidad y controlador de motor
Información del producto
Controlador de velocidad y controlador de motor Los controladores de velocidad de los motores de CA están diseñados para un control preciso de la velocidad y el par de los motores de CA.
Robot industrial
Información del producto
Robot industrial Zhongda cuenta con una sólida experiencia de más de 20 años en la construcción de componentes centrales esenciales para robots industriales y robots de brazo articulado. Nuestra solución "Half the Robot o Mitad de robot" está diseñada para la simplificación.
Motorreductor de CA
Información del producto
Motorreductor de CA El motorreductor de CA es un pequeño motor de CA que cuenta con una caja de engranajes en miniatura de precisión instalada en un motor compacto.
Motorreductor de CC
Información del producto
Motorreductor de CC El motorreductor de CC es una combinación de una caja de engranajes en miniatura de precisión y un motor eléctrico compacto.
Motorreductor de CC sin escobillas
Información del producto
Motorreductor de CC sin escobillas La estructura de los motores sin escobillas es diferente a la de los motores con escobillas tradicionales.
Motorreductor planetario de CC
Información del producto
Motorreductor planetario de CC Los motorreductores planetarios de CC están disponibles en motorreductores planetarios de CC con escobillas (motorreductores con escobillas de carbón) y motorreductores planetarios de CC sin escobillas.
Mototambor
Información del producto
Mototambor El mototambor es una unidad motriz que combina el motor con reductor encerrado dentro de una carcasa exterior.
Nosotros

Zhongda es un fabricante profesional de diversos tipos de motores y motorreductores que ha sido establecido el año 1998, Zhongda ha crecido hasta convertirse en una empresa líder de alta tecnología en China que combina investigación, fabricación, ventas y servicios en el sector de accionamientos de motores, micromotores, reductores de precisión y unidades inteligentes integradas. Gracias a la experiencia y cooperación durante todos estos años de operación, hemos logrado obtener un catálogo sólido de diversos motorreductores y motores.

Productos
  • Motorreductor de CA
  • Motorreductor de CC
  • Motorreductor planetario de CC
  • Mototambor
  • Motorreductor de CA pequeño
  • Motorreductor hipoidal F2/F3
  • Reductores planetarios
  • Reductor cicloidal de precisión
  • Rueda motriz y motor de dirección asistida
  • Controlador de velocidad y controlador de motor
  • Robot industrial
Aplicaciones
    • Intralogística
    • Robótica móvil
    • Robot industrial
    • Horno para pizza
    • Máquina para hacer helados
    • Montacargas
    • Embalaje
    • Equipos de fabricación de hielo comercial
    • Equipos textiles
    • Sistemas de control de acceso y portones
    • Máquinas herramienta
Contacto
Ningbo Zhongda Leader Intelligent Transmission Co., Ltd.
+86-574-63537171
+86-574-63534879
Kerry Cen