NINGBO ZHONGDA LEADER INTELLIGENT TRANSMISSION CO.,Ltd.
Componentes de automatización industrial Código de acciones: 002896
  • 
  • Inicio
  • Productos+
  • Personalización
  • Aplicaciones+
    • Intralogística
    • Robótica móvil
    • Robot industrial
    • Horno para pizza
    • Máquina para hacer helados
    • Montacargas
    • Embalaje
    • Equipos de fabricación de hielo comercial
    • Equipos textiles
    • Sistemas de control de acceso y portones
    • Máquinas herramienta
  • Proyectos+
    • Motorreductor de CC para sistema de seguimiento solar
    • Motorreductor de CC sin escobillas para sistema de control de acceso de barrera tipo flap
    • Motorreductor de CC sin escobillas para etiquetadora automática
    • Motorreductor para silla de ruedas eléctrica
    • Reductor de precisión RV de rueda dentada cicloidal y reductor planetario para la industria de corte de puentes de piedra
    • Motorreductor de CC sin escobillas para la industria de mesas indexadoras
    • Motorreductor hipoidal F3 para la industria de máquinas para hacer hielo
  • Nosotros+
    • La Empresa
    • Historia
    • Fabricación
    • Distribuidores
    • Centro de descargas
  • Videos
  • Contacto
  • Inicio
  • Productos
  • Motorreductor hipoidal F2/F3
  • Motorreductor hipoidal, Serie F2
  • Motorreductor hipoidal F2/F3 de 60W/90W
Motorreductor hipoidal F2/F3 de 60W/90W

Motorreductor hipoidal F2/F3 de 60W/90W

Solicite un presupuesto Descargar PDF
  • Especificaciones
  • Aplicaciones
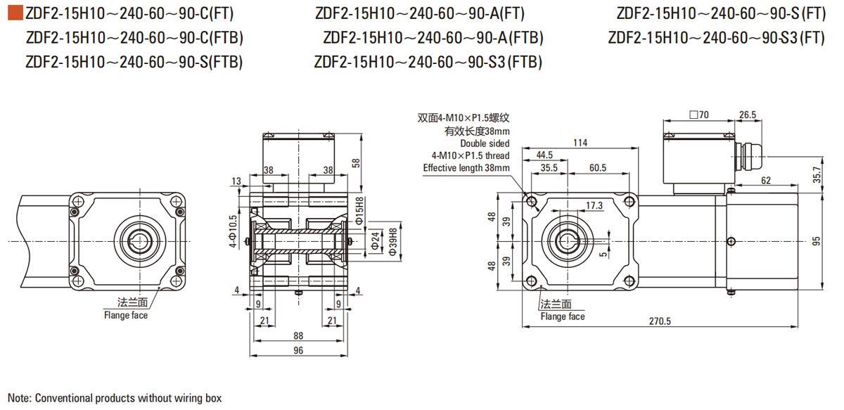
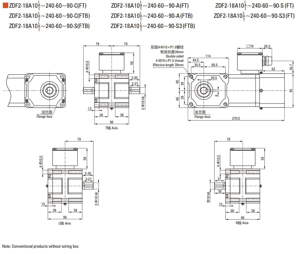
Especificaciones (Clasificación continua)
Modelo Potencia de salida  Voltaje Frecuencia  Corriente nominal  Par nominal  Velocidad nominal Par de rotor bloqueado  Corriente de rotor bloqueado Grado de aislamiento
W V Hz A N.m r/min N.m A
ZDF2-15H-60-S(FTB) 60 200 60 0.40 0.36 1600 0.90 1.30 F
220 50 0.50 0.44 1350 1.40 1.40
ZDF2-15H-60-S3(FTB)
380 50 0.28 0.44 1350 1.40 0.75
460 60 0.28 0.36 1600 1.50 0.85
Modelo Potencia de salida  Voltaje Frecuencia  Corriente nominal  Par nominal  Velocidad nominal  Par de rotor bloqueado  Corriente de rotor bloqueado Capacitor  Grado de aislamiento
W V Hz A N.m r/min N.m A UF
ZDF2-18A-60-C(FTB) 60 220 60 0.47 0.36 1600 0.23 0.95 3.00 F
220 50 0.49 0.44 1300 0.23 1.10
ZDF2-18A-60-A(FTB)
110 50 1.00 0.44 1300 0.23 2.10 12.0
110 60 0.90 0.36 1600 0.23 1.95
Potencia Diámetro del orificio/eje Relación de transmisión Velocidad del eje de salida Par de tolerancia en el eje de salida Carga radial permitida en el eje de salida  
r/min N.m kgf.m Carga axial permitida en el eje de salida
W mm i 50Hz 50Hz 50Hz N kgf N kgf
60 15/18 10 150 3.560 0.36 343 35 108 11
15 100 5.340 0.54 441 45 147 15
20 75.0 7.120 0.72 539 55 186 19
25 60.0 8.910 0.90 588 60 226 23
30 50.0 10.69 1.09 686 70 245 25
40 37.5 14.25 1.45 784 80 275 28
50 30.0 17.82 1.81 882 90 294 30
60 25.0 21.38 2.18 882 90 294 30
80 18.8 25.66 2.61 1270 130 324 33
100 15.0 32.07 3.27 1270 130 324 33
120 12.5 38.49 3.92 1370 140 343 35
160 9.40 51.32 5.23 1370 140 343 35
※200 7.50 53.90 5.50 1370 140 343 35
※240 6.30 53.90 5.50 1370 140 343 35
Especificaciones
Especificaciones

Aplicaciones
  • Sistemas de posicionamiento Divisores de leva para automatización de precisión.
  • Sistemas de transporte Transportadores de banda, cadenas de alta velocidad y transportadores de rodillos.
  • Industria alimentaria Máquinas para hacer helados.
  • Fabricación de baterías Sistemas de transporte en hornos para materiales de ánodos y cátodos.
  • Automatización personalizada Sistemas automatizados no estándar.
Divisores de leva
  • Tags:
  • fabricante de motorreductor hipoidal
  • motorreductores hipoidales
  • motorreductor hipoide
  • motores de engranaje
  • motores de CC

¿Necesita ayuda adicional? No dude en hacernos saber sus requerimientos para poder ayudarlo.

NUESTROS PRODUCTOS
  • Motorreductor de CA
  • Motorreductor de CC
  • Motorreductor planetario de CC
  • Mototambor
  • Motorreductor de CA pequeño
  • Motorreductor hipoidal F2/F3
      Motorreductor hipoidal, Serie F2 Motorreductor hipoidal, Serie F3
  • Reductores planetarios
  • Reductor cicloidal de precisión
  • Rueda motriz y motor de dirección asistida
  • Controlador de velocidad y controlador de motor
  • Robot industrial
Otros productos
Motorreductor hipoidal F2/F3 de 15W/25W Motorreductor hipoidal F2/F3 de 15W/25W
Motorreductor hipoidal F2/F3 de 40W Motorreductor hipoidal F2/F3 de 40W
Motorreductor hipoidal F2/F3 de 60W/90W Motorreductor hipoidal F2/F3 de 60W/90W
Fabricación
Fabricación
Fabricación
Fabricación

Invertimos constantemente en la incorporación de equipos de producción y pruebas de nivel internacional optimizados. Zhongda ha desarrollado un sistema de fabricación integral que incluye los siguientes componentes:

Equipo de procesamiento de engranajes compuesto por marcas como Mitsubishi de Japón y KAPP de Alemania.
Equipos de procesamiento de carcasas, principalmente de las marcas japonesas MAKINO y Mazak.
Equipo de procesamiento de motores integrado por las marcas japonesas AIDA y NITTOKU.
Equipos de inspección de productos, entre los que se encuentran las marcas alemanas Zeiss y Klingelnberg.
Productos principales

Nuestra gama de componentes de automatización industrial

Reductores planetarios
Información del producto
Reductores planetarios El reductor planetario es un reductor de uso común compuesto por varios componentes, incluida la carcasa exterior, la carcasa interior, la rueda planetaria, el eje de entrada y el eje de salida, así como sellos y accesorios relacionados.
Reductor cicloidal de precisión
Información del producto
Reductor cicloidal de precisión Las reductores cicloidales robóticos son la parte vital de los robots articulados y un componente crucial en varios equipos de automatización, como maquinaria industrial, dispositivos médicos y carros automatizados AGV.
Rueda motriz y motor de dirección asistida
Información del producto
Rueda motriz y motor de dirección asistida La rueda motriz y el motor de dirección asistida son dos piezas esenciales utilizadas en el campo de la logística inteligente.
Controlador de velocidad y controlador de motor
Información del producto
Controlador de velocidad y controlador de motor Los controladores de velocidad de los motores de CA están diseñados para un control preciso de la velocidad y el par de los motores de CA.
Robot industrial
Información del producto
Robot industrial Zhongda cuenta con una sólida experiencia de más de 20 años en la construcción de componentes centrales esenciales para robots industriales y robots de brazo articulado. Nuestra solución "Half the Robot o Mitad de robot" está diseñada para la simplificación.
Motorreductor de CA
Información del producto
Motorreductor de CA El motorreductor de CA es un pequeño motor de CA que cuenta con una caja de engranajes en miniatura de precisión instalada en un motor compacto.
Motorreductor de CC
Información del producto
Motorreductor de CC El motorreductor de CC es una combinación de una caja de engranajes en miniatura de precisión y un motor eléctrico compacto.
Motorreductor de CC sin escobillas
Información del producto
Motorreductor de CC sin escobillas La estructura de los motores sin escobillas es diferente a la de los motores con escobillas tradicionales.
Motorreductor planetario de CC
Información del producto
Motorreductor planetario de CC Los motorreductores planetarios de CC están disponibles en motorreductores planetarios de CC con escobillas (motorreductores con escobillas de carbón) y motorreductores planetarios de CC sin escobillas.
Mototambor
Información del producto
Mototambor El mototambor es una unidad motriz que combina el motor con reductor encerrado dentro de una carcasa exterior.
Motorreductor de CA pequeño
Información del producto
Motorreductor de CA pequeño Reconocido por su funcionamiento silencioso, larga vida útil y diseño compacto, nuestro motorreductor de CA pequeño puede alimentarse desde 100 W hasta 3700 W, compatible con CA monofásica y trifásica.
Motorreductor hipoidal F2/F3
Información del producto
Motorreductor hipoidal F2/F3 El motorreductor hipoidal de Zhongda F2/F3 es una combinación de un motor eléctrico y un reductor de engranajes hipoides, que presenta el funcionamiento silencioso de los reductores helicoidales de turbina y la eficiencia de los reductores de engranajes cónicos. Este motorreductor hipoidal F2/F3 es especialmente adecuado para entornos que exigen accionamientos de pequeña potencia en un espacio limitado.
Nosotros

Zhongda es un fabricante profesional de diversos tipos de motores y motorreductores que ha sido establecido el año 1998, Zhongda ha crecido hasta convertirse en una empresa líder de alta tecnología en China que combina investigación, fabricación, ventas y servicios en el sector de accionamientos de motores, micromotores, reductores de precisión y unidades inteligentes integradas. Gracias a la experiencia y cooperación durante todos estos años de operación, hemos logrado obtener un catálogo sólido de diversos motorreductores y motores.

Productos
  • Motorreductor de CA
  • Motorreductor de CC
  • Motorreductor planetario de CC
  • Mototambor
  • Motorreductor de CA pequeño
  • Motorreductor hipoidal F2/F3
  • Reductores planetarios
  • Reductor cicloidal de precisión
  • Rueda motriz y motor de dirección asistida
  • Controlador de velocidad y controlador de motor
  • Robot industrial
Aplicaciones
    • Intralogística
    • Robótica móvil
    • Robot industrial
    • Horno para pizza
    • Máquina para hacer helados
    • Montacargas
    • Embalaje
    • Equipos de fabricación de hielo comercial
    • Equipos textiles
    • Sistemas de control de acceso y portones
    • Máquinas herramienta
Contacto
Ningbo Zhongda Leader Intelligent Transmission Co., Ltd.
+86-574-63537171
+86-574-63534879
Kerry Cen